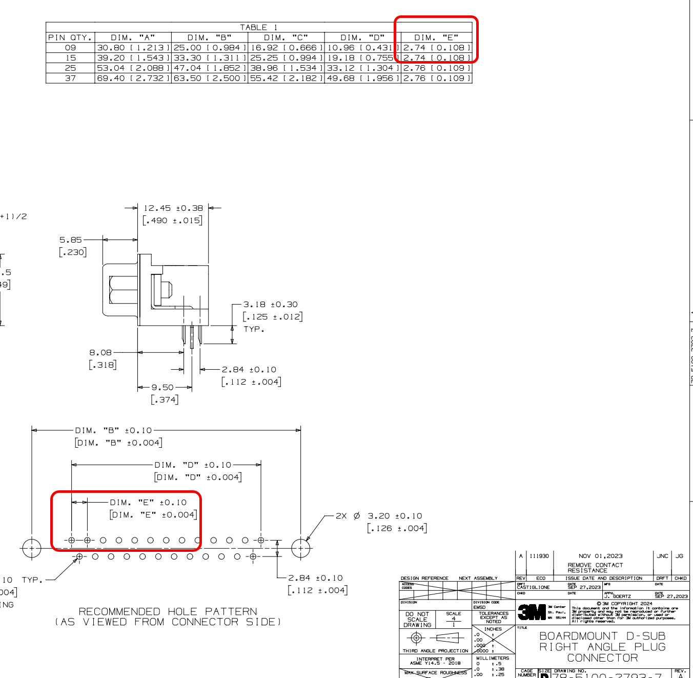
Why are small D-Sub footprints 2.77mm instead of 2.74mm?

D-Sub shell sizes A and E (e.g. 9p and 15p standard density) have 2.74mm pitch, but KiCad libraries make all D-Sub footprints 2.77mm.

Is this a deliberate decision?

The datasheet below (Page 7) confirms that 2.77mm is the correct pitch.

https://www.amphenolpcd.com/wp-content/uploads/2023/06/Catalog-D-Subs.pdf

Edit: Apparently this datasheet is a bit of an exception. But without searching very hard I also found a connector from multicomp with the same 2.77mm pitch for a 15 pin D-Sub socket.

most manufacturers (also Amphenol) specify it different, usually referring to widely accepted standards like IEC 60807, DIN 41652, MIL-DTL-24308…

D-Sub “standards” are really weird. Did you know that the mating distance is 0.265" for shell sizes E and A, but 0.256" for B/C/D?

I read that in the first datasheet I downloaded.
All banana units are crazy. In metric units we tend to use nice rounded numbers here in the EU.

Recently I was looking into the old IEEE 488 (GPIB) and in the old days both M3 and M3.5 threads were used, and one of them was supposed to be blackened to distinguish it from the other thread size.

In general, connectors are a nightmare in PCB design. There is for example also no guarantee that the pitch of the actual pins in the connector corresponds with the pads for the footprint. On Aliexpress you can buy assortments of USB connectors which have 100+ different sizes. Apparently these are popular with people who repair phones. Some IC types are available in a pitch of 0.6mm, 0.635mm and 0.65mm. The difference is too small to see, difficult to measure but just big enough to cause problems for when the PCB footprint is designed wrong.

And there are a gazillion other problems with the banana units too. I do not know how big an “A” or an “E” shell is, and I refuse to even attempt to remember, but the 15 pin connector I linked to clearly states a 2.77mm pitch, so apparently that is not even standardized between D-Sub connector footprints. Heck, they can’t even sort “A” through “E” in logical connector size.

“AWG” is another stupidity. Here in Europe we just state the cross section in square mm. A number every 12 year old can understand.

And also copper thickness. What does an “OZ” have to do with thickness? The 99% percent of countries that use the metric system just use the thickness of the copper in the default metric length unit.

1 Like

there are standards (cited above). One weird (or simply wrong?) data sheet doesn’t invalidate them. Virtually all data sheets I have read in my long career as an electronics engineer comply with these standards. 2.74mm for small shells and 2.77mm for large shells.

My initial question is still valid.

I get worried when I see 0.265” and 0.256”. Did someone make a simple typo at some point? These D type standards belong to the electric typewriter and very early word processor era and mistakes were common. Once manufacturers start making the part with the error, the strange values become locked in stone.

In my Racal days, we had strict vendor lists for D types as compatibility was a known problem

2 Likes

I’ve also encountered different versions of things that should be the same, and have long suspected that back then sometimes a fax was send and numbers got lost in translation. SOT-23 is also an example from this. There was no concensus about the location of pin 1 on that package, although it seems that the alternate pinouts have become much rarer in the last 20 years.

D-Sub miniature was created in the early '50-ies That was more then 20 years before “word processors” (in the form of computer programs) became common. And there are other ambiguities with this type of connector too:

From: D-subminiature - Wikipedia

Common misnomers

The above naming pattern was not always followed. Because personal computers first used DB-25 connectors for their serial and parallel ports, when the PC serial port began to use 9-pin connectors, they were often mislabeled as DB-9 instead of DE-9 due to ignorance of the fact that B represented a much larger shell size. It is now common to see DE-9 connectors sold as “DB-9” connectors. DB-9 nearly always refers to a 9-pin connector with an E-size shell.

Could we stop with the anecdotes now and return to the original question?

3 Likes

This is coming down to measuring the parts you want to use carefully. It looks like the “standard” has been interpreted to allow two sizes by different vendors..

1 Like

Can you substantiate this assumption? I see almost exclusively manufacturers who adhere to the standards (IEC 60807, DIN 41652, MIL-DTL-24308). The link mentioned by paulvdh seems to me to be an exception.

BTW: The total deviation is 0.1mm for the corner pins of a DA-15 connector, this is not very critical but it is not good either.

By definition an assumption is something that can’t be substantiated . . . otherwise it’s no longer an assumption.

If you want to be sure of what you are doing there is only one way . . . DYOR

1 Like

I looked around a bit more and also found a D-Sub 15 pin from multicomp with a 2.77mm pitch. The DIN 41652 document costs EUR 58 so I did not pursue that further.

This footprint: DSUB-15_Male_Horizontal_P2.77x2.54mm_EdgePinOffset9.40mm has a links in it’s description to: https://docs.rs-online.com/02d6/0900766b81585df2.pdf and that also states a 2.77mm pitch.

Imho, the KiCad library is correct. The 2.77mm pitch connectors do exist. That two different pitch versions of this connector exist is unfortunate, and something that people are now forced to deal with. Maybe put both pitch versions in KiCad’s library? Maybe add a remark in the footprint that different pitch versions exist?

If you are using the 2.74mm pitch variant, then I suggest you modify it, and create an issue with a merge request for it in the library section on gitlab. Add both a link to a datasheet, and a link back to this forum thread. When there is even one connector with this other pitch in KiCad’s library, it’s already a hint to be more careful during footprint assignment.

1 Like

To be certain, get the data sheet, design the footprint, buy the part, measure it, get cheap boards from JLC make a test fit, and never rely on footprints of unknown provenance. Trust only yourself and people who you have their private cell phone numbers too.

Mastering footprint design is the first task when designing PCBs.

3 Likes

I was just purchasing some D-Sub connectors, and noticed this in the Amphenol catalog:

In ‘Termination’, I find Europe and US standard.

This does not have much to do with the topic of this thread, because it concerns the distance between the rows of pins and not the distance between the PCB pins within a row of angled connectors. This doesn’t reflect the dimensions of the mating side.

Most straight connectors, especially with milled contacts, have the same dimensions for PCB pins and mating side.

Regarding the other posts:

Citing a few sloppy suppliers who ignore the standards does not help us in my intention to improve the KiCad libraries.

However, this is not a catastrophic problem on the footprint side; you can bend the solder pins into place. Nevertheless, it is still wrong.

When purchasing connectors, however, one should consider their reliability in combination with standard-compliant products.

Since D-Sub connectors from different manufacturers must fit together on the mating side, compliance with international standards is indispensable.

This is IEC 60807-2 and -3, which (of course!) specifies the same dimensions as DIN 41652-1 or the old MIL-DTL-24308. They should all fit together, shouldn’t they?

I’m also not entirely sure whether it was just the documentation department of some company that did a sloppy job, or whether they actually ordered the wrong connectors from their Chinese suppliers.

In the first case, it’s just embarrassing; in the second case, you end up with plugs that are outside the permissible tolerances, meaning that correct functioning is no longer guaranteed when you mate them with standard-compliant plugs.

You can always suggest a change to the library team on gitlab by raising an issue. They will then determine what to do. They can choose to ignore you or make a fix. You can also make a fix and suggest they merge it into the library.

Not much point in talking about this here, it leads nowhere. If you know your right, raise an issue.

The question “is this a deliberate decision?” in my original post was meant seriously. It was not hidden criticism.

If someone (who actually knows) had said that it was done this way because it keeps the generator code simple and the connector pins can be bent by a tenth of a millimeter, that would have been fine with me. Or if he had said, “Oh, I didn’t know that, we should correct it.”

No answer would have been fine too.

Instead, I received answers saying that my statement (2.74 mm vs. 2.77 mm) was wrong, and that 2.77 mm applies to all sizes. And some anecdotal digressions from the topic.

Before I open an issue, I want to make sure to know the background. Not much point in opening unjustified issues on GitLab.

So when you write, “Not much point in talking about this here,” I wonder which posts in this thread you think that applies to.

I have specs from three connector vendors. One has pins spaced at 2.74mm and two have them at 2.77mm. It is possible that the TRUE SPEC says 2.74mm, but when I buy an ‘ADAM TECH DE09-PL-25’ from DigiKey (DKPN: 2057-DE09-PL-25-ND) the pins are spaced at 2.77mm:

The same with a ‘KYCON K22X-E9P-N’ (DKPN: 2092-K22X-E9P-N-ND):

So, I use the D-SUB footprint with 2.77mm pin spacing.

If I buy a similar 3M connector, ‘88609-5005‘ (DKPN: 19-88609-5005-ND):

I use a footprint with 2.74mm spacing (that I created).

1 Like

Thanks for finding more questionable data sheets.

On the footprint side of a angled connector, especially with stamped contacts, the spacing can in fact differ from the mating side. And, as I pointed out earlier, the solder pins are flexible enough to fit both patterns.

But Adam Tech DA15-PD and Kycon K85X-AA-15P (straight solder cup) shows that they ignore the standard on the mating side. Simply don’t buy such connectors!