I am a KiCad beginner and hope for advice

Thank you for accepting me to this forum :slightly_smiling_face:

I installed KiCad on my PC yesterday and have looked at some documentation and seen some instruction videos. I am working on documenting some schematics for DIY motor drive for a sewing machine. So for this project it is not my intention to use KiCad for print layout. I have started using the tool now, but I likely already have got some bad habits and I got a few questions.

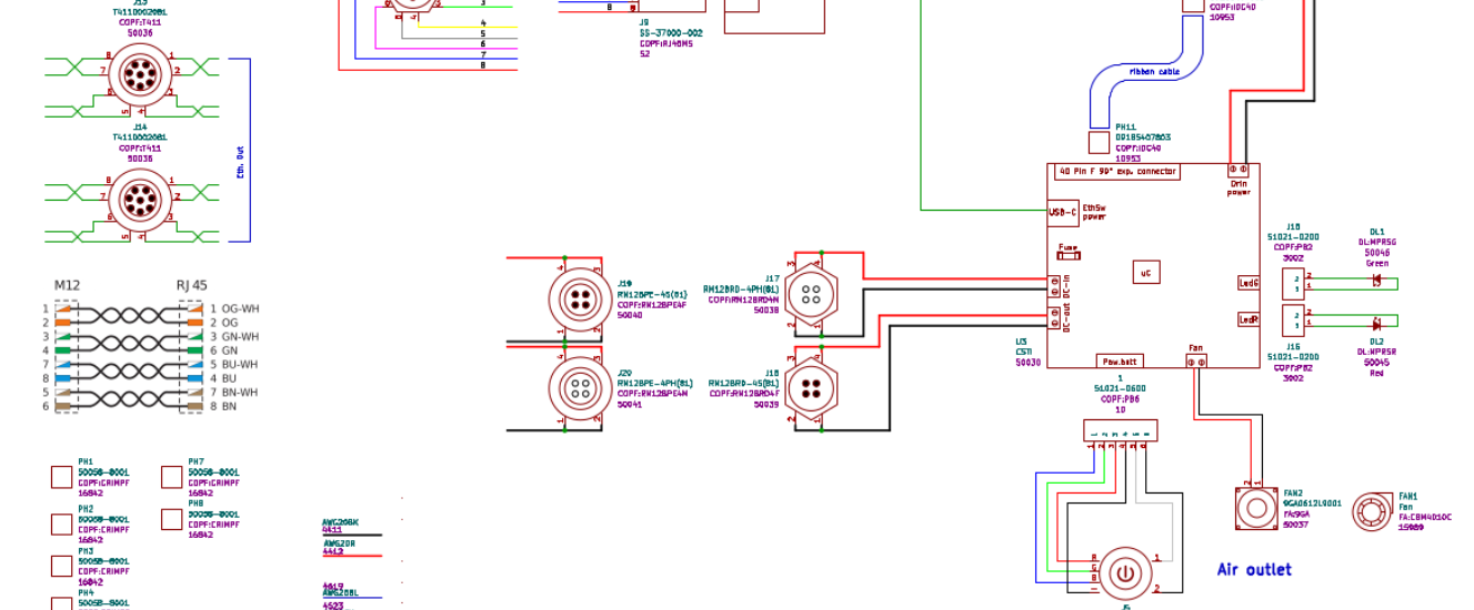
I intend to make use of the hieratical schematic possibilities to document wiring between different part of sewing machine table and parts of sewing machine. One part is a small control panel and it is in a separate box with a circuit inside like you see below. On a higher level it is connected to other parts and it is not connected via globally named terminals. I like the wiring to be seen. But some connectors to signal wires are used. When you do hieratical terminals they don’t have a physical representation, so I guess that you make symbols for the connectors on the lower level schematic. But the female wire board connector is named socket. Is this the right way to draw these signal connectors and connections by wires?

I have never been using hierarchical schematics so will say nothing of how to do it.

If it were my schematic and if everything fit on single sheet I would use some graphic lines to show separate parts and not hierarchical sheets, but … your choice.

KiCad ‘standard’ workflow is 1 schematic → 1 PCB and is not intended primarily to do cabling schematics.
I don’t say that what you are proposing to do is not possible using KC, but i suggest if you are a beginner, start with a separate KC project for each board that compose your system to familiarize with the tool.

For complex cabling there are specific tools (for example QElectroTech), but if the cabling is not very complex i do like this:

  • different projects for each board of the system
  • i prepare a schematic symbol for each board where the system wires are the pins of the symbol
  • i do a kicad schematic with all the logic connection of the parts of the system and mechanical parts like fans, container, …

something like this:

the advantage to do it like this instead of doing it in pure graphical form, is that you can export a working-ish partlist of the composition of the complete system.

1 Like

Thank you for the advise. Is your diagram made by KiCad?

I just learned, that you can change color of the wires in the schematic.

J17 in your diagram - is it a connector soldered into the uC PCB?

When I look at most connectors and screw terminals in the libraries of KiCad, it seems to me that the understanding is, that the connection stops there. These terminals are not intended to be connected on a higher hierarchical cabling schematic. Is it a right observation? It supports your idea to make separate projects for each PCB.

Yes.

Have in mind that KiCad is a PCB design program. Terminals are something that PCB tracks ends at their pads.

1 Like

Yes

you can change color and even thickness to resemble the real wire.

no, those are panel connectors with soldered wires that connect to a screw terminal mounted on the uC pcb

this is a panel RGB switch with soldered wires crimped to a female connector that mates with the male mounted on the pcb.

if you want you can even add the crimps that you need:

1 Like

Thanks again.

Assume, that you intent to design a PCB from a project. Will KiCad try to include everything from a project to one PCB? Or can you define that some parts of a hierarchical structure to be part of the PCB?

In the schematic every part with associated footprint is transferred to the pcb, but you can mark items as not to be transferred (Exclude from board flag):

1 Like