Totally confused

Hi,

I am Eric and I have no idea how to add a LCD 20x4 Character display. It’s a NHD-0420D3Z-BBW-V3 from Newhaven Display Intl. First thing, What do you do when a Schematic symbol has 2 pins with the same number ? Second, I am trying to make an Arduino Mega 2560 shield and I would like to use 2 shields and stack them together. Should I have 2 seperate Schematics and do it that way or should I split my 1 schematic somehow and do it that way. Believe me, I have tried to look for info on the Internet but have not been able to find any info. Any help with these questions would be greatly appreciated.

Thank you,

That would be an error in the symbol. Remove one of the pins in the symbol editor.

Not only two schematics, but two different KiCad project. At the moment KiCad is limited to having one PCB per project. If you attempt to create more then once PCB in a project, then the netlists of the two PCB’s get mixed up and KiCad wants to connect them together.

Are these pins by any chance always part of the same electrical net? E.g. a grounded shield that connects in two places to the PCB? In that case, it’s possible to have multiple pins with the same number in KiCad (whether it’s good practice, is another matter).

Is your project about:

1: Constructing both of these shields, so you can then use them together in the same project?

2: Constructing some kind of interface board that connects two shields (and possible an Arduino board)?

Thanks for your reply. I am a beginner and this is my first project. OK, I definitely will make 2 different projects, one for the K3NG Mega 2560 keyer and another for the display. Yes this is to connect both together on top of my Arduino use both together and be able to use them in the same project.

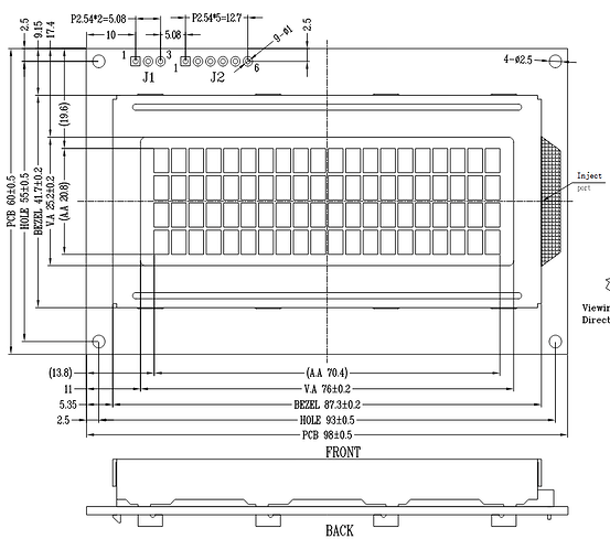
I am not sure about the electrical net ? That’s why I referenced the display that I intended to use. It has 2 connectors, J1 and J2. J1 has 3 pins: 1-RX, 2-VSS and 3-VDD. J2 has 6 pins: 1-SPISS, 2- SDO, 3-SCL, 4-SDA, 5-VSS, 6-VDD. I tried to name pin 5 Cathode and and pin 6 Anode. I have the top pin 3-Passive and the bottom pin 2-Passive. I am open to using another LCD Display-20x4-I2C if it would be easier since this display supports RS-232 and SPI that I am not going to use.

Thank you.

Thanks for your reply. The pins connect different functions like: Pin 1 on J1-RX, Pin 1 on J2-SPISS. Pin 2 on J1-VSS, Pin 2 on J2-SDO. This display offers interface with (TTL), SPI, and I2C. I would be open to using another 20x4 LCD I2C display since I am not going to use SPI and TTL. Is it possible to use a different pin numbers like on: LCD-016N002L ? A1 for the pin named A1, and K1 for the pin named K1 ? This Display LCD symbol is in my Symbol library.

Ok, I will modify my Schematic and start another Arduino Shield project and do the Display on the new board, I think that would be easier anyway.

Thank You.

OK, you have to differentiate between a couple of things here:

You have two connectors.

Each connector has several pins.

Each pin has an electrical connection to a net.

Here’s a snippet from the datasheet of your display:

The connectors you mention are top left.

If you model this display as a component, I would suggest just giving each pin a unique number, so they will become pins 1-9. When creating the PCB footprint, arrange the pins in such a way that they align with the drawing in the datasheet. How you number the pins in your own symbols and footprints, doesn’t matter; it’s entirely up to you.

In this case there is no need or advantage to assigning the same number to different pins. Just stick to the ground rule that pin numbers are unique identifiers.

OK, I did not know this was even possible. Yes I will follow your advise, I just want this to work correctly and adhere to the design rules and result into a successful PCB. I was not getting anywhere before and it was really frustrating. I will edit my symbol and name the pins 1-9 starting with Pin 1 on J1 and see what happens. Kicad is a great program and I will keep trying to improve on my projects and learn more.

Thank you.

Great; remember that the PCB is ultimately manufactured based on the plots you provide, and the manufacturer doesn’t care about (or even know) which numbers are on which pins, especially if you will assemble the parts yourself. As long as the PCB design you make is electrically correct and it complies with the manufacturer’s requirements, it will work. This still leaves plenty of opportunity for mishaps, so double/triple check everything before sending it out!

Yes ! This worked perfectly. I just ran the ERC and there were no errors or warnings. I will write this info down in my notes for future projects.

Thank you.

Thanks for the heads up, I still have not completed the process with my first project. I downloaded some of the manufactures templates to properly setup Kicad for the PCB Board Setup settings but have not even decided on who I want to use. I agree that there is a lot to check and confirm before sending your PCB to be made. I wouldn’t even be surprised if there were some applications to check your PCB for the correct trace spacing and other proper design rules.

Thank You.

That’s what the DRC (Design Rule Check) function is for. You’ll find it in most PCB layout software - including KiCad.

I often use KiCad for multiple PCB designs in one file with a single schematic, usually for two or three PCBs which plug together. You just have to create different sets of power supply names for each PCB. KiCad happily accepts multiple outlines and it’s handy to have them side by side for getting the alignment correct for inter-board connectors. I discovered this when I was designing EuroRack modules where I had as many as 40 connections between the PCBs. It is much easier to keep track of the connections between boards on a single schematic.

One drawback is that when plotting the PCBs you need to delete the boards you don’t want to plot and restore them after plotting so that you get the correct BOM with each PCB. (Note: have all layers active when deleting so you don’t leave bits and pieces all over the place. Also create a backup copy before you start plotting).

For the plotting, you can use the Kikit plugin to breakout your mutli pcb file in each individual PCB file.

Thank you. I will give that a try.